EN 中文
Vybronics - one of largest suppliers of cylindrical & coin vibration motors

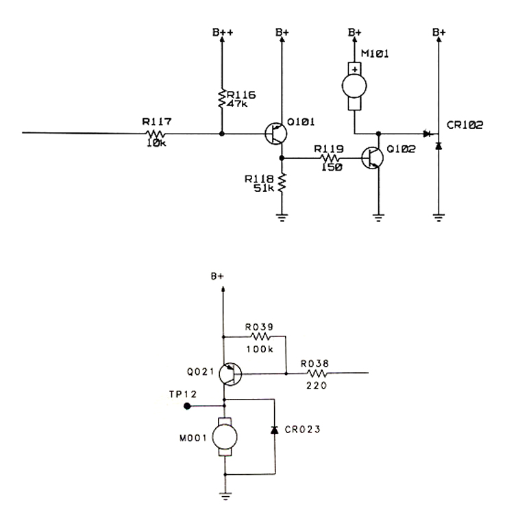
EXAMPLE DRIVE CIRCUITS FOR VIBRATOR MOTORS

( suitable for Brush type vibration motors. Not for LRA’s )

 

DRIVE CIRCUITS FOR VIBRATOR MOTORS

Top