EN 中文
Vybronics - one of largest suppliers of cylindrical & coin vibration motors
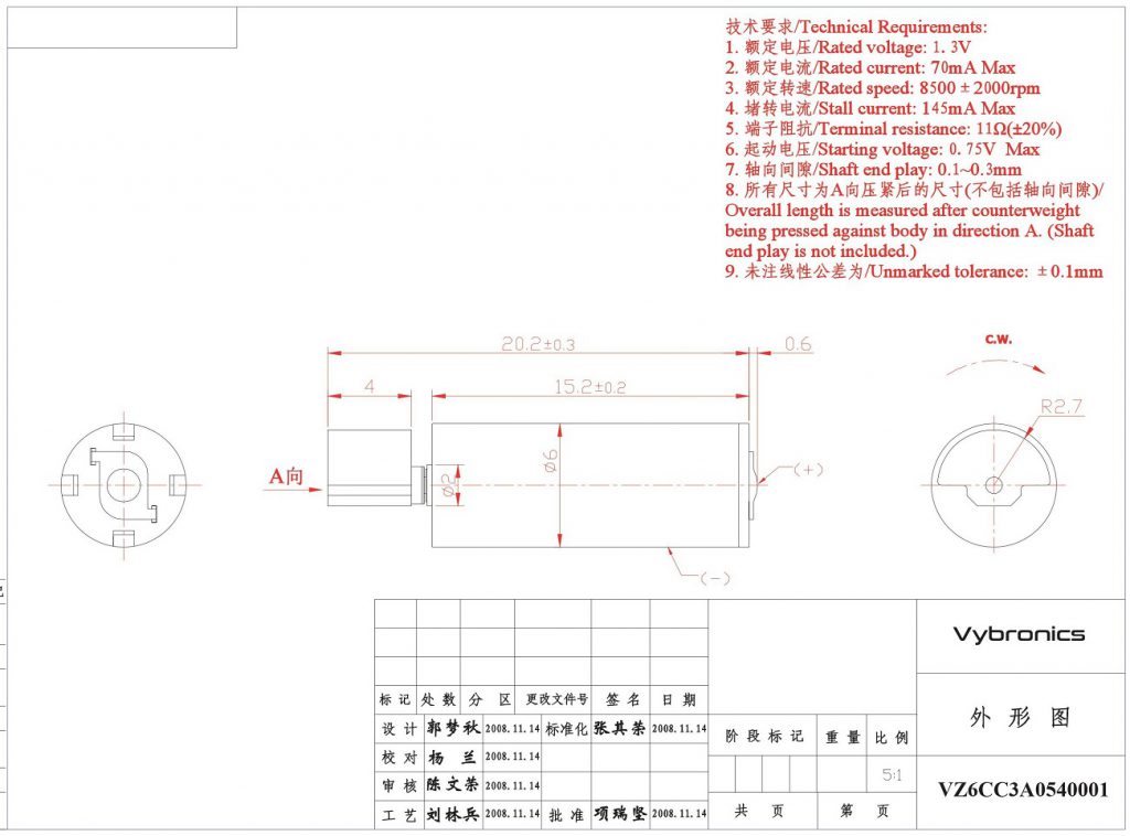
Vybronics VZ6CC3A0540001
Model Number: VZ6CC3A0540001
(old p/n: Z6CC3A0540001)

6mm Dia | 1.3 V | Rear Contact Pin | Vibration Motor

The rear contact pin of this vibration motor lends itself to a number of interesting applications. A battery can be placed directly behind the motor, in a similar manner a battery is placed behind a light bulb in a flashlight. The motor can also be placed in a bracket which mates with the contact pins, similar to that of a standard AA cell battery holder. It is available in a wide variety of RPM speeds and voltages. Contact us to discuss these applications further.

Summary Of Specifications
Diameter/Height (mm): 6.0
Body (mm): 15.2
Overall (mm): 20.2
Rated Voltage (Vdc): 1.3
Operating Voltage (Vdc): 1.1~1.6
Rated Current MAX (mA): 70
Typical Current (mA): 43
Rated Speed (rpm): 8500
Vibration Force (Grms): 1.00
Packaging Spec / Tariff Info
Part Packaging: Tray
Qty per reel / tray: 100
Quantity - Master box: 4000
Size - Master Box: Call us
Weight - Master Box: Call us
ECCN: EAR99
USA HTS TARIFF: 8501.10.4060
25% Exclusion Code: 9903.88.69
25% Ex. Code Valid: from June 15, 2024 thru Nov 29, 2025
Country of Origin: CHINA


If you need samples,
please Contact Us.
Add To Favorite List
VZ6CC3A0540001 (old p/n Z6CC3A0540001) Cylindrical Vibration Motor Drawing

This part is not authorized for Life Supporting Devices
None of the products offered for sale by us are authorized for use in any device that:

  1. is surgically implanted into the body
  2. supports or sustains life, and whose failure to perform as per our specification,
    may result in serious injury or death of the user.

VZ6CC3A0540001 (old p/n Z6CC3A0540001) Cylindrical Vibration Motor data 03VZ6CC3A0540001 (old p/n Z6CC3A0540001) Cylindrical Vibration Motor data 04VZ6CC3A0540001 (old p/n Z6CC3A0540001) Cylindrical Vibration Motor data 05VZ6CC3A0540001 (old p/n Z6CC3A0540001) Cylindrical Vibration Motor data 06

Top