Vybronics - one of largest suppliers of cylindrical & coin vibration motors
Model Number: VLV041235L-FP255

12 x 4 x 3.5 mm | 1.8 Vrms | 240hz | LRA Z-Axis

The  VLV041235L-FP255  rectangular, Z-axis LRA can be used for a variety of haptic feedback applications. It is based on our popular VLV041235L.  It makes use of the Hirose BM29B-2DP/2-0.35V(51) ultra small FPC to Board connector.    This LRA generates haptic feedback in the Z-axis and can be used for a variety of haptic feedback applications.   Please note that the BLUE  colored tab is a removable plastic release tape protects the double sided adhesive under the LRA.  This must be removed prior to use.  This LRA is different than most rectangular LRA's which oscillate in the X plane, along the length of the device.  Like all LRA's this device is typically connected to a LRA  driver IC which produces the AC  drive signal for this device.


CLICK HERE to download the configuration file for RENESAS DA728x-EVAL-KIT.

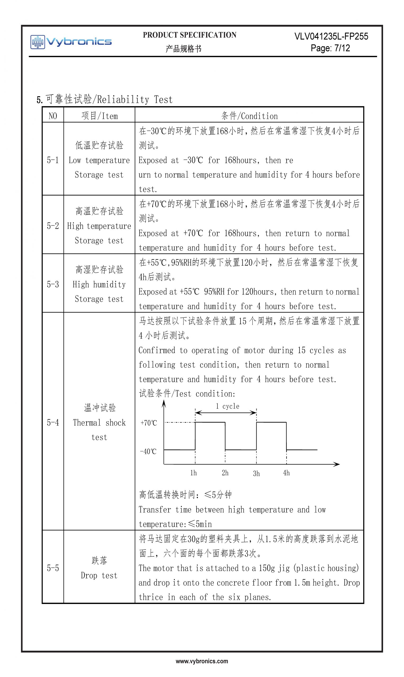
Summary Of Specifications
Length (mm): 12.0
Width (mm): 4.0
Height (mm): 3.5
Rated Voltage (AC RMS): 1.8
Operating Voltage (AC RMS): 0.1 ~ 1.85
Rated Current MAX (mA): 60
Typical Current (mA): 47
Rise Time (ms) MAX *: 40
Fall Time (ms) MAX *: 60
Resonant Frequency: 240
Vibration Force (Grms): 1.60
* at 50% of Maximum G force
Packaging Spec / Tariff Info
Part Packaging: Tray
Qty per reel / tray: 100
Quantity - Master box: 4000
Size - Master Box: 44*26.5*16.8CM
Weight - Master Box: Call us
ECCN: EAR99
USA HTS TARIFF: 8501.10.4020
25% Exclusion Code: 9903.88.69
25% Ex. Code Valid: from June 15, 2024 thru Nov 29, 2025
Country of Origin: CHINA


If you need samples,
please Contact Us.
Add To Favorite List
VLV041235L FP255

This part is not authorized for Life Supporting Devices
None of the products offered for sale by us are authorized for use in any device that:

  1. is surgically implanted into the body
  2. supports or sustains life, and whose failure to perform as per our specification,
    may result in serious injury or death of the user.

VLV041235L FP255 Freq Response CurveVLV041235L FP255 Datasheet Page 05VLV041235L FP255 Datasheet Page 06VLV041235L FP255 Datasheet Page 07VLV041235L FP255 Datasheet Page 08

Top