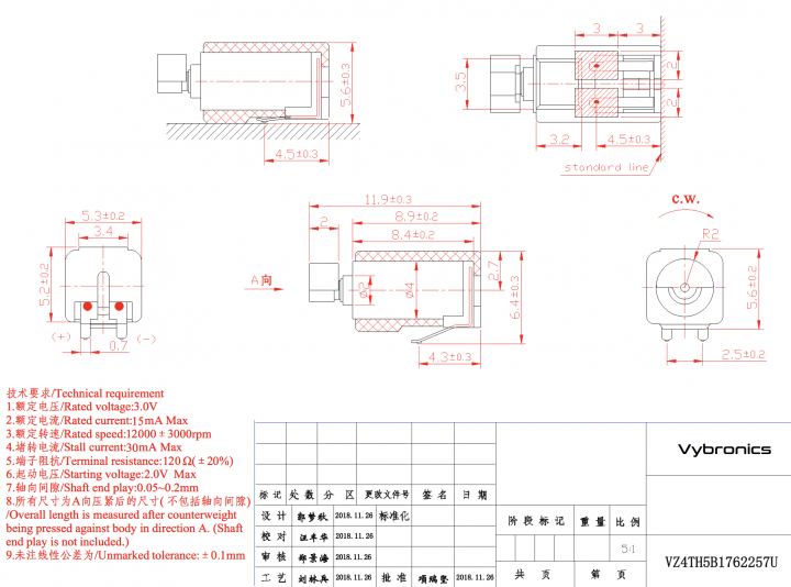
This part is not authorized for Life Supporting Devices
None of the products offered for sale by us are authorized for use in any device that:
- is surgically implanted into the body
- supports or sustains life, and whose failure to perform as per our specification,
may result in serious injury or death of the user.





